分享到:

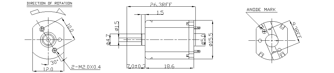
030有刷电机

广泛应用于家用电器、工业自动化设备、电子设备等,例如:搅拌机、电吹风、小型输送机、印刷机、汽车CD机、便携式摄像机等设备都可应用于030有刷电机
产品型号:HFF-030PK
长x宽x高(mm):15.5×12.0×18.6
额定电压(V):4.5
空载转速(rpm):8500-10000
负载转速(rpm):6581-7776
堵转力矩(mNm/A):17.5-22.5
堵转电流(A):0.40-0.55
产品详情

技术参数

产品型号

HFF-030PK-09220

HFF-030PK-10190

额定电压(V)

4.5

4.5

空载转速(rpm)

8500

10000

空载电流(A)

0.034

0.045

负载转速(rpm)

6581

7776

负载电流(A)

0.117

0.157

负载力矩(g.cm)

3.955.00

负载力矩(mN.m)

0.387

0.49

负载功率(W)

0.27

0.40

堵转力矩(g.cm)

17.5

22.5

堵转力矩(mN.m)

1.716

2.205

堵住电流(A)

0.40

0.55


k10.png



推荐应用
在高端中型舵机领域,核心动力单元的选型直接决定舵机的响应速度、控制精度与使用寿命。直径17mm、长度25mm的空心杯无刷电机,凭借其均衡的尺寸适配性、卓越的性能参数与稳定的运行表现,已成为高端中型舵机的优选动力解决方案,广泛应用于航模主翼控制、中型机器人关节驱动、专业云台稳定系统等关键场景,为设备的精准操控提供核心支撑。这款1725空心杯无刷电机的性能优势,精准匹配了高端中型舵机的核心需求。...

便携式医疗输液泵是临床精准给药的核心设备,其动力系统需满足“高精度、低干扰、长稳定”三大要求。华骏通HBL3630内转子无刷电机(外径36mm、机身长度30mm)凭借精准的性能匹配,成为该类设备的优选动力组件,以下从适配逻辑、核心参数及应用价值展开分析。






1. 核心适配逻辑:以控制精度保障给药安全。输液泵药液输送误差需≤±2%,HBL3630采用3相9槽12极结构,内置霍尔传感...
在便携式医疗采样泵领域,N20 有刷电机搭配行星减速箱的组合,凭借精准适配性成为入门级及小型设备的优选动力方案,既满足医疗采样的核心需求,又兼顾便携性与成本控制,成为设备稳定运行的 “隐形核心”。






N20 减速电机的核心优势在于 “小体积、强适配”。作为微型直流有刷电机的代表,N20 电机本体尺寸仅约 10×12×15mm,重量不足 10 克,完美契合便携式采样泵 “小巧轻便” ...
你是否想过,为何自动卷发棒能轻松卷出理想发型?在它流畅运转的背后,藏着一位“隐藏高手”——030行星减速电机。它就像一位经验丰富的美发师,精准把控卷发过程,让美丽一触即发。 030行星减速电机的核心工作,是通过行星齿轮组巧妙配合,将转速降低至10 - 30转/分钟的“黄金区间”,同时增强扭矩。这样一来,烫发筒既能温柔地卷住头发,又有足够的力量确保发丝紧密贴合,在发热体的作用下均匀受热,卷出的...
在市面上,家用两片烤面包机价格可以从几十到几百,差异化很大,原因在于内部的用料成本上,其中采用有刷电机跟无刷电机差异化在几块到几十块之间,这也直接影响到烤面包机的成本与品质。




对于烤面包机所采用的有刷电机,一般直径在6-22mm内,电压在6-12V,转速在1000-3000rpm,通过齿轮组减速至托架升降所需速度(约10-20 RPM),同时扭矩经过齿轮箱放大后足以驱动面包托架。

...
医疗设备中的泵广泛采用无刷电机(BLDC),主要基于其技术特性和医疗场景的严苛需求,在精准度上与稳定性上,无刷电机通过电子换向实现精准控制,配合闭环系统(如驱动板反馈)可达到±2%的流量误差,满足输液泵、呼吸机等设备对药液或气流输送的极高精度要求‌,其低脉动特性(噪音<40dB)进一步保障了患者治疗的舒适性。




无刷电机以无碳刷磨损,机械损耗极小,平均无故障时间(MTBF)超过2万小时...
地址:广东省东莞市塘厦镇塘厦环市南路22号2栋
邮箱:hjtmotorfy@163.com
关注华骏通:
0769-86435047
售后服务-疑问解答
(欢迎来电咨询)
Copyright © 东莞市华骏通电机有限公司版权所有